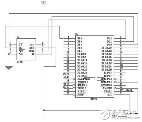
集成电路设计流程科普
政策扶持为集成电路设计产业注入新动力
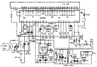
CMOS模拟集成电路设计在现代家用电器研发中的重要性
产品大全 Product
企业信息 Information

公司名称:嘉兴本科电器有限公司

法人代表:俞理斌

注册地址:海盐县百步镇横港工业园区

经营范围 Scope

所属行业:电气机械和器材制造业

更多行业:家用厨房电器具制造,家用电力器具制造,电气机械和器材制造业,制造业

经营范围:一般项目:家用电器制造;智能控制系统集成;集成电路制造;照明器具制造;集成电路设计;家用电器研发;集成电路销售;家用电器销售;风机、风扇制造;家用电器零配件销售;照明器具销售;照明器具生产专用设备制造;照明器具生产专用设备销售;家用电器安装服务;厨具卫具及日用杂品批发;卫生洁具制造;卫生洁具销售;卫生洁具研发;家具制造;家具销售;家具零配件生产;家具零配件销售;家具安装和维修服务;信息系统集成服务;轻质建筑材料制造;建筑装饰材料销售;金属结构制造;金属结构销售;家居用品销售;卫生陶瓷制品制造;卫生陶瓷制品销售;轻质建筑材料销售;电器辅件制造;电器辅件销售;日用电器修理;集成电路芯片及产品制造;货物进出口;技术进出口(除依法须经批准的项目外,凭营业执照依法自主开展经营活动)。

联系我们 Contact

电话:0573-36**

地址:海盐县百步镇横港工业园区

邮箱:bban**[email protected]

网址:www.yssq520.com

企业简介 Introduction
嘉兴本科电器有限公司成立于2014年07月28日,注册地位于海盐县百步镇横港工业园区,法定代表人为俞理斌。经营范围包括一般项目:家用电器制造;智能控制系统集成;集成电路制造;照明器具制造;集成电路设计;家用电器研发;集成电路销售;家用电器销售;风机、风扇制造;家用电器零配件销售;照明器具销售;照明器具生产专用设备制造;照明器具生产专用设备销售;家用电器安装服务;厨具卫具及日用杂品批发;卫生洁具制造;卫生洁具销售;卫生洁具研发;家具制造;家具销售;家具零配件生产;家具零配件销售;家具安装和维修服务;信息系统集成服务;轻质建筑材料制造;建筑装饰材料销售;金属结构制造;金属结构销售;家居用品销售;卫生陶瓷制品制造;卫生陶瓷制品销售;轻质建筑材料销售;电器辅件制造;电器辅件销售;日用电器修理;集成电路芯片及产品制造;货物进出口;技术进出口(除依法须经批准的项目外,凭营业执照依法自主开展经营活动)。